D673H/F氣動硬密封對夾蝶閥
產品概況
產品型號:D673H/F
公稱通徑:DN50~800mm
適用壓力:1.3×10-5Pa~3×105Pa
工作溫度:氟橡膠-25℃~+150℃
閥體材質:碳鋼(C)、不銹鋼(P4、P6)
連接方式:對夾式
設計依據:GB標準\ANSI標準
設計標準:GB/12238、API609
結構長度:GB12221、ANSI B16.10 ANSI、B16.5(2-24")
連接法蘭尺寸:GB/9113、JB/T79 ANSI B16.47(26-32")
實驗和檢驗:JB/T9092 、API598
一、D673H/F氣動硬密封對夾蝶閥產品概述
百鋼閥門集團生產銷售的D673H/F氣動硬密封對夾蝶閥采用精密的J形彈性密封圈和三偏心多層次金屬硬密封結構,被廣泛用于介質溫度≤425℃的冶金
、電力、石油化工、以及給排水和市政建設等工業管道上,作調節流量和載斷流體使用。該閥采用三偏心結構,閥座與碟板密封面均采用不同硬度和不銹鋼制作,具有良好的耐腐蝕性,使用壽命長,本閥具有雙向密封功能,產品符合GB/T13927-92閥門壓力試驗標準。
二、D673H/F氣動硬密封對夾蝶閥特點
1、本閥采用三偏心密封結構,閥座與蝶板幾乎無磨損,具有越觀越緊的密封功能。
2、密封圈選用不銹鋼制作,具有金屬硬密封和彈性密封的雙重優點,無論在低溫和高溫的情況下,均具有優良的密封性能,具有耐腐蝕、使用壽命長等特點。
3、蝶板密封面采用堆焊鈷基硬質合金、密封面耐磨損、使用壽命長。
4、大規格蝶板采用絎架結構,強度高、過流面積大、流阻小。
5、本閥具有雙向密封功能,安裝時不受介質流向的限制,也不受空間位置的影響,可在任何方向安裝。
6、驅動裝置可以多工位(旋轉90°或180°)安裝,便于用戶使用。
三、D673H/F氣動硬密封對夾蝶閥原理
以電磁換向閥控制氣動執行機構,使閥桿轉動90°達到開關目的。
氣缸采用1/4旋轉式氣缸,角度可調 1°~5°。
四、D673H/F氣動硬密封對夾蝶閥主要技術參數
| 技術參數 | |
| 公稱通徑 | DN50~800mm |
| 連接方式 | 對夾式 |
| 氣缸選配 | AT系列、GT系列、AW系列、進口執行器系列 |
| 氣缸形式 | 雙作用、單作用(彈簧復位) |
| 控制方式 | 開關型、調節型、三段式(開度可選) |
| 公稱壓力 | 16、25、40bar(如需更高壓力訂貨時請注明) |
| 氣源壓力 | 雙作用:4~8bar、單作用:5~8bar |
| 介質溫度 | W1:-40~180℃、W3:-30~425℃、W4:-40~425℃ |
| 環境溫度 | 標準型:-20~80℃ |
| 閥體材質 | 碳鋼(C)、不銹鋼(P4、P6) |
| 密封材質 | 聚四氟乙烯(F)、金屬硬密封(H)、硬質合金(Y) |
備注:其他特殊密封材質或特殊溫度亦可根據客戶要求設計選型
| 附件選型 | |
| 電磁閥 | 雙作用選二位五通、單作用二位五通、單電控雙電控訂貨時注明 |
| 氣源處理三聯件 | 對氣源進行穩壓、過濾、氣缸潤滑 |
| 限位開關 | 遠程反饋開關信號 |
| 手操機構 | 可實現手動開、關閥門 |
| 定位器 | 輸入模擬量信號(4-20mA或者0-10V),調節閥門開度 |
| 備注 | 以上附件不是標準配件,如需配置訂貨時候注明,電磁閥和限位開關有分防爆和不防爆,如需防爆還要注明防爆等級 |
五、D673H/F氣動硬密封對夾蝶閥主要零件材料
| 主要零件材質表 | |||||||||
| 序號 | 零件名稱 | 材質 | 序號 | 零件名稱 | 材質 | ||||
| C | P4 | P6 | C | P4 | P6 | ||||
| 1 | 內六角螺絲 | 1Gr18Ni9Ti | 1Gr18Ni9Ti | 1Cr18Ni12Mo2Ti | 11 | 閥體 | WCB | ZG1Cr18Ni12Mo2Ti | ZG1Cr18Ni12Mo2Ti |
| 2 | 閥蓋 | WCB | 1Gr18Ni9Ti | ZG1Cr18Ni12Mo2Ti | 12 | 閥桿 | 1Cr13 | 1Gr18Ni9Ti | 1Cr18Ni12Mo2Ti |
| 3 | 墊片 | 1Gr18Ni9Ti | 1Gr18Ni9Ti | 1Cr18Ni12Mo2Ti | 13 | 連接支架 | WCB | WCB | WCB |
| 4 | 閥座 | PTFE.不銹鋼+柔性石墨 | 14 | 鍵 | 45 | 45 | 45 | ||
| 5 | 墊片 | 1Gr18Ni9Ti | 1Gr18Ni9Ti | 1Cr18Ni12Mo2Ti | 15 | 襯套 | PTFE.復合軸承 | ||
| 6 | 蝶板 | WCB | ZG1Cr18Ni12Mo2Ti | ZG1Cr18Ni12Mo2Ti | 16 | 填料 | PTFE.柔性石墨 | ||
| 7 | 圓柱銷 | 45 | 1Gr18Ni9Ti | 1Cr18Ni12Mo2Ti | 17 | 壓蓋 | WCB | ZG1Cr18Ni9Ti | ZG1Cr18Ni12Mo2Ti |
| 8 | 下蓋 | WCB | ZG1Cr18Ni12Mo2Ti | ZG1Cr18Ni12Mo2Ti | 18 | 氣動裝置 | 擠壓鋁合金 | ||
| 9 | 墊片 | PTFE.不銹鋼+柔性石墨 | 19 | 位置指示器 | 塑料 | ||||
| 10 | 襯套 | PTFE.復合軸承 |
|
||||||
備注:其他零部件及密封圈的材質亦可根據實際工況或客戶要求設計選型
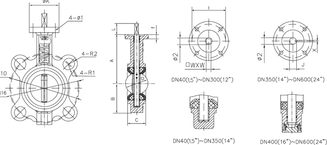
六、D673H/F氣動硬密封對夾蝶閥主要外形尺寸

| 主要外形尺寸-PN16(16bar) | |||||||
| 公稱通徑[DN] | 外形尺寸 | 連接尺寸 | 執行器型號 | ||||
| L | L1 | L2 | H | D | N-D | ||
| 50 | 43 | 159/211 | 83/95 | 277/205 | 125 | 4-18 | ATD63/ATE75 |
| 65 | 46 | 211/248 | 95/107 | 287/315 | 145 | 4-18 | ATD75/ATE88 |
| 80 | 46 | 248/269 | 107/123 | 365/375 | 160 | 8-18 | ATD88/ATE100 |
| 100 | 52 | 269/315 | 123/141 | 420/436 | 180 | 8-18 | ATD100/ATE115 |
| 125 | 56 | 315/345 | 141/152 | 436/462 | 210 | 8-18 | ATD115/ATE125 |
| 150 | 56 | 345/409 | 152/172 | 466/543 | 240 | 8-22 | ATD125/ATE145 |
| 200 | 60 | 409/438 | 172/187 | 593/665 | 295 | 12-22 | ATD145/ATE160 |
| 250 | 68 | 436/559 | 187/215 | 682/752 | 355 | 12-26 | ATD160/ATE190 |
| 300 | 78 | 550/600 | 215/240 | 725/772 | 410 | 12-26 | ATD190/ATE210 |
| 350 | 78 | 600/633 | 240/262 | 832/880 | 470 | 16-26 | ATD210/ATE240 |
| 400 | 102 | 633/730 | 262/330 | 862/968 | 525 | 16-30 | ATD240/ATE270 |
| 450 | 114 | 633 | 262 | 945/1005 | 585 | 20-30 | ATD240/ATE25 |
| 500 | 127 | 730 | 300 | 1058/1060 | 650 | 20-33 | ATD270/ATE25 |
| 600 | 154 | 1320/1970 | 440/480 | 1108/1195 | 770 | 20-36 | ATD25/ATE28 |
| 700 | 165 | 1430/2700 | 480/560 | 1170/1255 | 840 | 24-36 | ATD28/ATE35 |
| 800 | 190 | 1430/2700 | 480/560 | 1325/1365 | 950 | 24-39 | ATD25/ATE35 |
備注:根據不同的閥門扭矩,不同的氣源壓力以及不同的實際工況,選擇相匹配的執行器其相關外形尺寸也隨之變化
溫馨提示:
本文中所有文字、數據、圖片均只適用于參考。需要查看更多的D673H/F氣動硬密封對夾蝶閥性能參數、結構尺寸參數、價格等詳情,或要求高質量印刷樣本,請聯系我們。