D671X-10U氣動UPVC蝶閥
產品概況
產品型號:D671X-10U
公稱通徑:DN50~300mm
公稱壓力:PN1.0~1.6Mpa
適用溫度:0~+60℃
閥體材質:UPVC、CPVC、PP
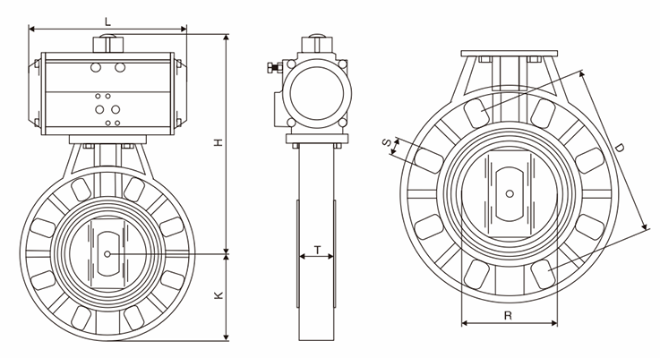
驅動方式:手柄 蝸輪傳動、電動、氣動、液動
制造標準:GB/T 122387-89
法蘭標準:GB9113-2000、GB17241.6-1998
結構長度標準:GB12221-89
檢驗標準:GB/T 13927-92
一、D671X-10U氣動UPVC蝶閥 概述
百鋼閥門集團生產銷售的D671X-10U氣動UPVC蝶閥重量輕、耐腐蝕性強,被應用于多個領域,如一般純水和生活飲水的管路系統、排水和污水管路系統、鹽水和海水管路系統、酸堿和化學溶液系統等多個行業,品質得到廣大用戶的認可。
1、外型結構緊湊美觀
2、本體重量輕容易安裝
3、耐腐蝕性強,應用范圍廣
4、材質衛生無毒
5、耐磨損、容易拆卸,維護簡單易
二、D671X-10U氣動UPVC蝶閥 主要參數
| 空氣驅動 | 壓縮空氣4-6bar(可帶手輪) |
| 公稱通徑 | 50~300mm |
| 公稱壓力 | 1.0~1.6Mpa |
| 適用溫度 | 0~+60℃ |
| 連接方式 | 對夾 |
| 閥結構 | A型 |
| 閥體材質 | UPVC、CPVC、PP |
| 閥芯材質 | UPVC、CPVC、PP、PTFE |
| 密封材質 | FPM、EPDM、NBR |
| 適用介質 | PVC兼容的食品工業化學溶劑 |
| 可選附件 | 限位開關、定位器、電磁閥、減壓閥 |
三、D671X-10U氣動UPVC蝶閥 主要外型尺寸

| 通徑(mm) | 英寸″ | 尺寸(mm) | |||||||||
| L | D1 | D2-ANSI | D2-JIS | D2-DIN | D3 | H | N-φm-ANSI | N-φm-JSI | N-φm-DIN | ||
| 50 | 2 | 43 | 56.5 | 120.39 | 120 | 125 | 165 | 103 | 4-19 | 4-19 | 4-18 |
| 65 | 21/2 | 47.5 | 70 | 139.44 | 140 | 145 | 185 | 113 | 4-19 | 4-19 | 4-18 |
| 80 | 3 | 47.5 | 79 | 152.4 | 150 | 160 | 201 | 115 | 4-19 | 4-19 | 4-18 |
| 100 | 4 | 57.2 | 103 | 190.5 | 175 | 180 | 229 | 135 | 8-19 | 8-19 | 8-18 |
| 125 | 5 | 66 | 130 | 216 | 210 | 210 | 257 | 165 | 8-22 | 8-23 | 8-18 |
| 150 | 6 | 74 | 151 | 241.55 | 240 | 240 | 285 | 177 | 8-22 | 8-23 | 8-23 |
| 200 | 8 | 87.5 | 200 | 298.5 | 290 | 295 | 343 | 210 | 8-22 | 8-23 | 8-23 |
| 250 | 10 | 110 | 255 | 362 | 355 | 350 | 411 | 240 | 12-25 | 12-25 | 12-23 |
| 300 | 12 | 129 | 311 | 432 | 400 | 400 | 490 | 297 | 12-25 | 12-25 | 12-23 |
溫馨提示:
本文中所有文字、數據、圖片均只適用于參考。需要查看更多的D671X-10U氣動UPVC蝶閥 性能參數、結構尺寸參數、價格等詳情,或要求高質量印刷樣本,請聯系我們。